QR-kod
Produkt
Kontakta oss


Fax
+86-574-87168065

E-post

Adress
Luotuo Industrial Area, Zhenhai District, Ningbo City, Kina
Raydafons SWC-BF Standard Flex Flange-typ Universal-koppling är byggd för att röra vridmomentet pålitligt i tunga maskiner-tänk rullande fabriker, pappersframställning, industriella enheter, alla inställningar som behöver tuffa prestanda. Den har en flexibel flänsskonstruktion, med gyrationsdiametrar som sträcker sig från 180 mm till 620 mm, och denna Standard Flex Universal -koppling hanterar vinkelfel upp till 15 grader plus vridmoment så högt som 1250 kN · m. Även i krävande arbetsmiljöer fortsätter det att gå stabilt, inga drop-offs. Vi gör det med höghållfast 35crmo-stål- och precisionsnållager, så det är perfekt som universella kopplingar för industriella maskiner och flexflänskopplingar för tung utrustning-flyttar kraft starkt, och du märker knappt någon vibration.
Vår tillverkning i Kina följer ISO 9001-standarder, så SWC-BF Universal-kopplingen varar länge och motstår korrosion-allt tack vare dess krompläterade tväraxel. Flänsanslutningen gör installationen enkel, vilket är en stor hjälp inom fält som metallurgi, gruvdrift och varvsindustri - platser där du behöver måttlig axiell flexibilitet. Vi kan också anpassa dess storlek och vridmomentbetyg, så denna hållbara flex universalkoppling fungerar bra som anpassade universella kopplingar för rullande fabriker och andra industriella behov. Och priset är konkurrenskraftigt, ingen överladdning. Raydafons kunskap innebär att du kommer att spendera mindre tid på underhåll, och din utrustning kommer att förbli mer pålitlig-något som operatörer runt om i världen kan räkna med.
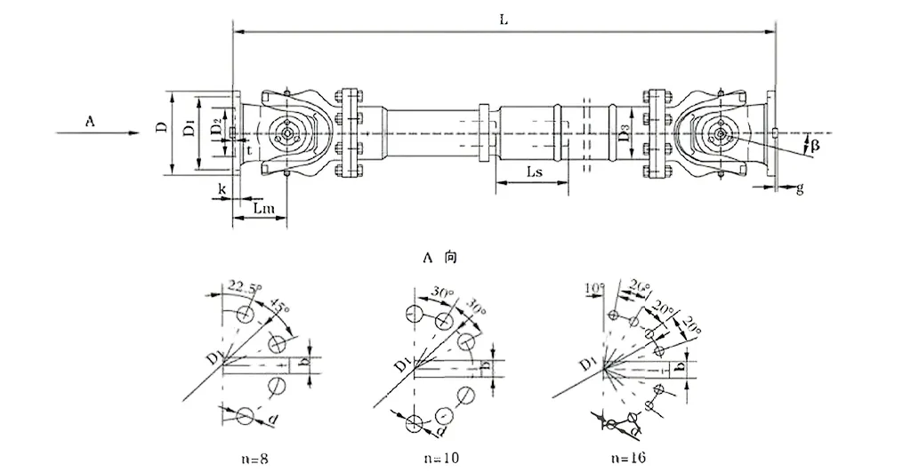
| Inga. | Gyrationsdiameter D mm | Nominell vridmoment Tn Kn · m | Axlar vikvinkel β (°) | Trötta vridmoment Tf Kn · m | Flexkvantitet Ls mm | Storlek (mm) | Tröghet kg.m2 | Vikt (kg) | |||||||||||
| Lmin | D1 (JS11) | D2 (H7) | D3 | Lm | n-d | k | t | b (H9) | g | Lmin | Öka 100 mm | Lmin | Öka 100 mm | ||||||
| SWC180BF | 180 | 12.5 | 6.3 | ≤25 | 100 | 810 | 155 | 105 | 114 | 110 | 8-17 | 17 | 5 | -1.455 | - | 0.27 | 0.0070 | 80 | 2.8 |
| SWC225BF | 225 | 40 | 20 | ≤15 | 140 | 920 | 196 | 135 | 152 | 120 | 8-17 | 20 | 5 | 32 | 9 | 0.79 | 0.0234 | 138 | 4.9 |
| SWC250BF | 250 | 63 | 31.5 | 1035 | 218 | 150 | 168 | 140 | 8-19 | 25 | 6 | 40 | 12.5 | 1.46 | 0.0277 | 196 | 5.3 | ||
| SWC285BF | 285 | 90 | 45 | 1190 | 245 | 170 | 194 | 160 | 8-21 | 27 | 7 | 40 | 15 | 2.87 | 0.0510 | 295 | 6.3 | ||
| SWC315BF | 315 | 125 | 63 | 1315 | 280 | 185 | 219 | 180 | 10-23 | 32 | 8 | 40 | 15 | 5.09 | 0.0795 | 428 | 8.0 | ||
| SWC350BF | 350 | 180 | 90 | 150 | 1410 | 310 | 210 | 267 | 194 | 10-23 | 35 | 8 | 50 | 16 | 9.20 | 0.2219 | 632 | 15.0 | |
| SWC390BF | 390 | 250 | 125 | 170 | 1590 | 345 | 235 | 267 | 215 | 10-25 | 40 | 8 | 70 | 18 | 16.62 | 0.2219 | 817 | 15.0 | |
| SWC440BF | 440 | 355 | 180 | 190 | 1875 | 390 | 255 | 325 | 260 | 16-28 | 42 | 10 | 80 | 20 | 28.24 | 0.4744 | 1290 | 21.7 | |
| SWC490BF | 490 | 500 | 250 | 190 | 1985 | 435 | 275 | 325 | 270 | 16-31 | 47 | 12 | 90 | 22.5 | 46.33 | 0.4744 | 1631 | 21.7 | |
| SWC550BF | 550 | 710 | 355 | 240 | 2300 | 492 | 320 | 426 | 305 | 16-31 | 50 | 12 | 100 | 22.5 | 86.98 | 1.3570 | 2567 | 34.0 | |
| SWC620BF | 620 | 1000 | 500 | 240 | 2500 | 555 | 380 | 426 | 340 | 10-38 | 55 | 12 | 100 | 25 | 147.50 | 1.3570 | 3267 | 34.0 | |
Universella kopplingar - även kallade universella fogkopplingar - är mekaniska delar som rör vridmoment och rotationsrörelse mellan två axlar som kanske inte stämmer perfekt. De hanterar vinkel-, axiella och radiella feljusteringar, samtidigt som de håller kraftöverföringen effektiv i olika industriella användningsområden. På Raydafon är våra SWC Cardan Shaft Universal Joint-kopplingsserier ett utmärkt exempel på förstklassig teknik här, som erbjuder hög-vridmoment universella fogkopplingslösningar gjorda bara för tunga platser som rullande fabriker och lyftmaskiner.
Låt oss bryta ner de viktigaste typerna av universella fogkopplingar:
Först upp är den enda universella leden. Den har en tvärformad sväng som ansluter två ok, som låter axlar ha vinkelfel i upp till 45 grader. Det fungerar bra för inställningar med måttliga förskjutningar, även om det kan orsaka hastighetsförändringar. Raydafons pålitliga tunga universella fogkoppling för rullande kvarnoperationer använder ofta enstaka ledkonstruktioner i kompakta byggnader, så det håller upp bra även under tunga belastningar.
Sedan finns det dubbla universella fogen. Den har två enstaka leder kopplade ihop, som hanterar större felinriktningar och håller transmissionshastigheten nästan konstant - perfekt för knepiga axeluppsättningar. När du behöver en hållbar SWC Universal Joint Shaft-koppling i lyft- och materialhanteringsutrustning ökar Raydafons dubbla gemensamma modeller stabilitet och minskar vibrationerna i högspänningsindustriella universella fogkopplingssystem.
Nästa är den teleskopiska eller utbyggbara universella leden. Den har splines eller glidande delar som låter dig justera längden samtidigt som du kompenserar för felinställning, som fungerar för axiella rörelser i dynamiska inställningar. Raydafons SWC tunga universella fogkoppling inkluderar teleskopalternativ-de fungerar som en effektiv universell ledkoppling för stor kraftöverföring på platser som gruvor eller konstruktionsställen, där du behöver flexibilitet i axellängden.
Det finns också solida, uttråkade eller splinerade navtyper. Dessa skiljer sig åt hur de ansluter: solida nav har inga hål, uttråkade nav har runda, hex eller fyrkantiga öppningar, och splidda nav har spår för en snäv passform. För energibesparande universella fogkopplingslösningar erbjuder Raydafon splined mönster i våra låga brusliga gemensamma kopplingsuppställningar-de optimerar momentleverans och håller brus ner till 30-40 dB (a) i känsliga industriella platser.
Raydafons Universal Joint-kopplingar, inklusive SWC-serien, är gjorda med integrerade gaffelhuvuddesign-inga fler bultrelaterade problem, som ökar styrkan med 30%-50%och träffar överföringseffektivitet upp till 98,6%. Dessa funktioner gör våra produkter till ett toppval för proffs som behöver anpassade, högpresterande lösningar.
Universella kopplingar - ta Raydafons SWC Cardan Shaft Universal Joint -koppling som ett utmärkt exempel - med stora fördelar för industriella överföringssystem. De rör sig vridmomentet effektivt mellan axlarna som inte är inriktade, hanterar alla typer av avvikelser, och de är ett måste för att hålla verksamheten smidigt i tuffa miljöer-som de som behöver högt vridmoment-kopplingslösningar.
Låt oss dyka in i deras huvudfördelar: För det första är de bra på att kompensera för felanpassning. Universella kopplingar hanterar vinkel-, axiella och radiella feljusteringar upp till 25 grader, vilket gör dem till en tillförlitlig tung universell ledkoppling för rullande kvarnoperationer. De gör detta utan att lägga till för mycket mekanisk stress eller vibration, så dina maskiner förblir skyddade.
Sedan finns det deras tuffa hållbarhet och långa livslängd. Vi bygger dessa kopplingar med integrerade gaffelhuvudkonstruktioner och höghållfast material, som minskar riskerna som bultar som lossnar eller bryter-stigande strukturell integritet med 30%-50%. Det är därför den hållbara SWC Universal Joint Shaft -kopplingen i lyft- och materialhanteringsutrustning fungerar så bra för långa sträckor under hårda förhållanden; Det överskrider traditionella modeller med ett långt skott.
De har också förstklassiga lastbärande och vridmomentkapacitet. Den industriella universella fogskopplingen är konstruerad för att hålla tunga vikter och överföra nominella moment från 0,15 till 1000 kN. I dessa inställningar är konsekvent prestanda under extrema laster make-or-break, och denna koppling levereras varje gång.
När det gäller kraftöverföringseffektivitet är de svåra att slå. SWC: s tunga universella ledkoppling, som träffar upp till 98,6% effektivitet, håller energiförlusten låg. Det gör det till en effektiv universell ledkoppling för stor kraftöverföring i högeffektiva industriella applikationer, och med tiden, den effektiviteten lägger till verkliga kostnadsbesparingar.
Sist men inte minst sparar de energi och stöter tyst. Som energibesparande universella fogkopplingslösningar minskar de elanvändningen och de arbetar på bara 30-40 dB (A). Denna universella kopplingskoppling med låg brus är perfekt för industriella platser där buller är ett problem-du får all tillförlitlighet du behöver utan den höga driften.
Universella kopplingar - de flesta kallar dem universella fogkopplingar - arbete på en enkel men effektiv mekanisk idé: de flyttar vridmoment och rotationsrörelse mellan två axlar som inte stämmer upp perfekt, hanterar vinkel-, axiella och radiella felanpassningar utan att hoppa över en takt. Ta Raydafons SWC Cardan Shaft Universal Joint -koppling, till exempel - det är en fantastisk utställning av denna princip. Den använder en tvärformad pivot (vi kallar det ofta en spindel) för att ansluta åkarna på varje axel, så kraftöverföringar smidigt även i upptagna industriella inställningar.
Hjärtat i hur det fungerar är att Cross Pivot: Det låter åkarna rotera självständigt, vilket utgör för axlar lutningar upp till 25 grader samtidigt som man håller momentleveransen konsekvent. Denna högt vridmoments universella fogkoppling håller också rotationshastighetsförändringar till ett minimum-särskilt när det är en dubbel gemensam design-så det är perfekt för jobb som behöver en pålitlig tunga universella ledkoppling för rullande kvarnoperationer. Och med Raydafons SWC-serie, lägger vi till en integrerad gaffelhuvuddesign för att göra denna mekanism ännu bättre: den blir av med problem som bultar som kommer loss, ökar strukturell styrka med 30%-50%och hjälper den att hålla längre i högspänningsländer.
Denna princip stöder också stor bärande kapacitet. Kopplingen hanterar nominella vridmoment från 0,15 till 1000 kN · m, med gyrationsdiametrar mellan φ58 och φ620 - det är därför den hållbara SWC -universella fogskopplingen i lyft- och materialhanteringsutrustning är ett så fast val för tuffa drifter. Dessutom träffar den industriella universella fogkopplingen upp till 98,6% överföringseffektivitet, vilket minskar energianvändningen i tunga maskiner för universella fogskoppling.
Dessutom har Raydafons SWC tunga universella fogkoppling funktioner som matchar principen fokus på smidig drift: det håller överföringen stabilt och brus förblir mellan 30-40 dB (a). Det gör det till en effektiv universell fogkoppling för stor kraftöverföring och en topp energibesparande universell fogkopplingslösning för högeffektiva industriella inställningar. Sammantaget håller denna universella gemensamma koppling med låg brus.
⭐⭐⭐⭐⭐ Li Jun, Senior Engineer, Jiangsu Power Equipment Co., Ltd.
Vi har använt Raydafons SWC-BF Standard Flex Flange-typ Universal-koppling i några månader nu, och det har presterat bra. Det som sticker ut mest är flexibiliteten i denna koppling - det har gjort våra maskiner mycket mer tillförlitliga, särskilt när det gäller att kompensera för felanpassning av axlar. Att installera det var en smidig process, inga knepiga steg, och svetskvaliteten ser också fast - definitivt ger oss trygghet att det kommer att hålla. För priset är det ett riktigt bra värde, och om du är i den tunga maskinindustrin skulle jag absolut rekommendera denna flexibla universella koppling.
⭐⭐⭐⭐⭐ John Davis, maskintekniker, Manchester Engineering Ltd., Storbritannien
På vår Manchester-anläggning bytte vi ut en gammal koppling för Raydafons SWC-BF Standard Flex Flange Type Universal-koppling, och skillnaden var uppenbar direkt. Denna universella koppling rör sig kraftigt och effektivt, även när vi kör den i högspänningsförhållanden-den släpper aldrig upp. Flexibiliteten i kombination med sin tuffa design håller våra maskiner igång utan problem. Dessutom fick Raydafon leveransen till oss snabbt, och deras kundservice var förstklassig-gjorde hela köpupplevelsen så mycket bättre. Rekommendera starkt denna pålitliga Flex Flange Universal -koppling!
⭐⭐⭐⭐⭐ Matteo Rossi, Operations Manager, Milan Industrial Solutions, Italien
Vi var på jakt efter en universell koppling som kunde hantera feljusteringar väl, och det var så vi hittade Raydafons SWC-BF Standard Flex Flange-typ Universal-koppling. Vi har använt det i några veckor nu, och jag kan säkert säga att det kontrollerar alla våra lådor. Att installera det var enkelt, inget extra krångel, och även när vi lägger det genom utmanande förhållanden håller det upp. Kvaliteten är enastående för priset - definitivt en smart investering för våra maskiner. Jag är verkligen nöjd med både produkten och tjänsten Raydafon gav oss.
Raydafon är inte bara en tillverkare-vi är en ledande leverantör av överföringskomponenter och industriella maskiner, och vi har djup expertis inom produkter som SWC Cardan Shaft Universal Joint-koppling. Vi började med innovation och kvalitet i vår kärna, och med tiden har vi vuxit vår sortiment för att inkludera växellådor, drivaxlar, hydrauliska cylindrar, remskivor och avancerade maskinverktyg-alla byggda för att möta de tuffa kraven från jordbruks- och tunga industrier. Våra högvridande universella ledkopplingslösningar är utformade med omsorg, och ser till att vridmomentöverföringar smidigt och feljusteringar hanteras rätt-de är absoluta måste för klienter som behöver tillförlitliga universella gemensamma kopplingar för rullande kvarnoperationer.
Våra produktionsanläggningar är toppmoderna: Vi har CNC-workshops, slip- och värmebehandlingsutrustning och 3D-mätsystem. Vi håller oss till strikta standarder som ISO9001/TS16949, så varje industriell universell koppling som vi gör är exakt och byggd för att hålla. Ta vår hållbara SWC Universal Joint Shaft-koppling i lyft- och materialhanteringsutrustning, till exempel-det är optimerat för platser som behöver allvarlig bärande kraft. Och vår SWC tunga universella fogkoppling? Det löser problem i tunga maskiner för universella fogkopplingssystem, där det är att vara stabilt under extrema förhållanden är inte förhandlingsbara.
Vi är också stora på global räckvidd - 80% av våra produkter exporteras till marknader som USA, Tyskland, Japan, Italien, Malaysia, Australien och Mellanöstern. Vi har ett starkt nätverk över Kina, Sydkorea, Storbritannien, Singapore, USA och Spanien, som låter oss skapa anpassad effektiv universell ledkoppling för stora kraftöverföringsalternativ. Dessa är skräddarsydda efter specifika behov, som våra energibesparande universella fogkopplingslösningar som träffar upp till 98,6% överföringseffektivitet-skärning av energianvändning i högeffektiva inställningar.
Hållbarhet och klientfokuserad innovation är viktig för oss. Det är därför vi erbjuder låga brusande gemensamma kopplingsalternativ som håller brus mellan 30-40 dB (A)-perfekt för industriella platser där brus är ett problem. Och vi säkerhetskopierar allt med fullt stöd efter försäljning. Vårt engagemang för att göra saker rätt gör Raydafon till en pålitlig partner i överföringsbranschen och hjälper proffs att få bästa prestanda och tillförlitlighet ur sin utrustning.
Adress
Luotuo Industrial Area, Zhenhai District, Ningbo City, Kina
Tel
E-post


+86-574-87168065


Luotuo Industrial Area, Zhenhai District, Ningbo City, Kina
Copyright © Raydafon Technology Group Co., Limited alla rättigheter reserverade.
Links | Sitemap | RSS | XML | Sekretesspolicy |
