QR-kod
Produkt
Kontakta oss


Fax
+86-574-87168065

E-post

Adress
Luotuo Industrial Area, Zhenhai District, Ningbo City, Kina
Raydafons SWC-WD-kort utan flangfläns typ Universal-koppling är byggd för att röra vridmomentet effektivt i tunga maskiner-tänk stålrullande fabriker, kranar, lyftutrustning, allt det tunga växeln. Det har en kompakt, icke-teleskopisk flänsdesign, med gyrationsdiametrar från 180 mm till 1320 mm. Denna korta fläns -universella koppling kan hantera vinkelfel i upp till 15 grader och vridmoment så högt som 16000 kN · m, så även i trånga utrymmen där det inte finns mycket utrymme, fortsätter det att överföra kraften pålitligt. Vi gör det från höghållfast 35crmo-stål, med en lagerstruktur som inte behöver bultar-perfekt för universella kopplingar för tunga maskiner och icke-teleskopiska universella kopplingar för industriella tillämpningar. Det kräver inte mycket underhåll och varar för alltid, vilket är exakt vad du behöver i tuffa inställningar.
Vår tillverkning i Kina följer ISO 9001-standarder, så SWC-WD Universal-kopplingen håller upp under hårda förhållanden. Korsaxeln är krompläterad för att motstå korrosion, vilket lägger till dess seghet. Dess styva, svetsade flänsdesign gör installationen till en bris, särskilt i metallurgi och gruvutrustning där axiell rörelse är ganska minimal. Vi kan anpassa storleken för att passa dina behov, så denna hållbara korta universella koppling fungerar bra som anpassade universella kopplingar för kransystem och andra tunga jobb. Och priset är också konkurrenskraftigt. Raydafons exakta hantverk betyder mindre driftstopp och mer pålitlig utrustning - något industriella operatörer runt om i världen kan räkna med.
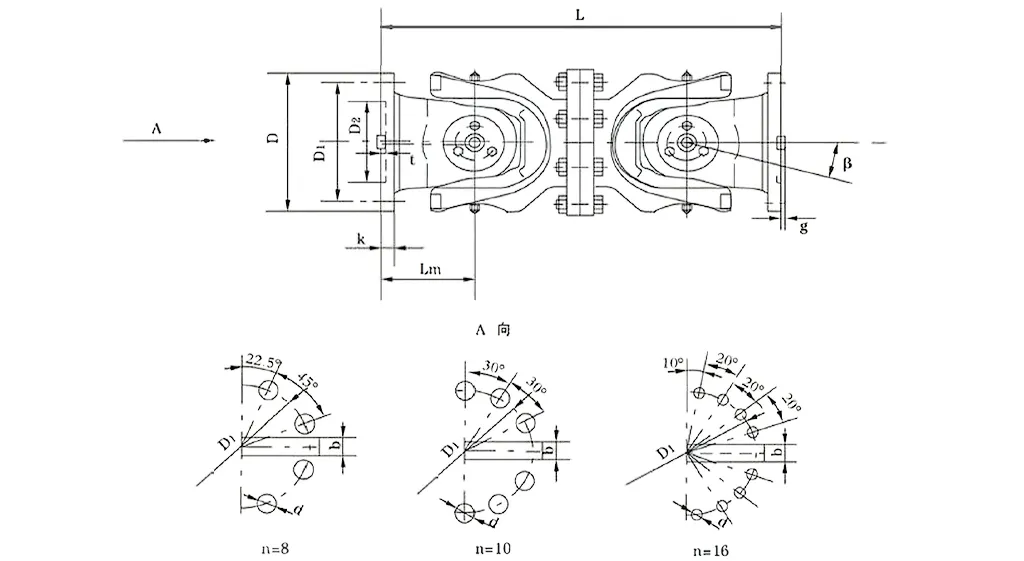
| Inga. | Gyrationsdiameter D mm | Nominell vridmoment Tn Kn · m | Axlar vikvinkel β (°) | Trötta vridmoment Tf Kn · m | Storlek (mm) | Vikt (kg) | |||||||||
| Lmin | D1 (JS11) | D2 (H7) | Lm | n-d | k | t | b (H9) | g | Lmin | Öka 100 mm | |||||
| SWC180WD | 180 | 12.5 | 6.3 | ≤25 | 440 | 155 | 105 | 110 | 8-17 | 17 | 5 | - | - | 0.145 | 52 |
| SWC225WD | 225 | 40 | 20 | ≤15 | 480 | 196 | 135 | 120 | 8-17 | 20 | 5 | 32 | 9.0 | 0.355 | 82 |
| SWC250WD | 250 | 63 | 31.5 | 560 | 218 | 150 | 140 | 8-19 | 25 | 6 | 40 | 12.5 | 0.831 | 127 | |
| SWC285WD | 285 | 90 | 45 | 640 | 245 | 170 | 160 | 8-21 | 27 | 7 | 40 | 15.0 | 1.715 | 189 | |
| SWC315WD | 315 | 125 | 63 | 720 | 280 | 185 | 180 | 10-23 | 32 | 8 | 40 | 15.0 | 2.820 | 270 | |
| SWC350WD | 350 | 180 | 90 | 776 | 310 | 210 | 194 | 10-23 | 35 | 8 | 50 | 16.0 | 4.791 | 370 | |
| SWC390WD | 390 | 250 | 125 | 860 | 345 | 235 | 215 | 10-25 | 40 | 8 | 70 | 18.0 | 8.229 | 524 | |
| SWC440WD | 440 | 355 | 180 | 1040 | 390 | 255 | 260 | 16-28 | 42 | 10 | 80 | 20.0 | 15.320 | 798 | |
| SWC490WD | 490 | 500 | 250 | 1080 | 435 | 275 | 270 | 16-31 | 47 | 12 | 90 | 22.5 | 25.740 | 1055 | |
| SWC550WD | 550 | 710 | 355 | 1220 | 492 | 320 | 305 | 16-31 | 50 | 12 | 100 | 22.5 | 46.780 | 1524 | |
| SWC620WD | 620 | 1000 | 500 | 1360 | 555 | 380 | 340 | 10-38 | 55 | 12 | 100 | 25.0 | 83.760 | 2120 | |
* 1. TF-under växlingen Ladda vridmomentet som tillåter enligt trötthetsstyrkan.
Raydafons SWC Universal Joint -koppling - vanligtvis kallad SWC Cardan Shaft Universal Joint -koppling - är inte bara en del; Det är ett måste i tunga industrifält, som rullande fabriker, lyftutrustning och alla slags tuffa tunga maskiner. Som en hög-vridmoment universell fogkoppling gör det ett fast jobb som kopplar samman två transmissionsaxlar som inte är perfekt inriktade, se till att kraften levereras smidigt även när arbetsförhållandena är riktigt hårda.
Låt oss prata om dess kärnspecifikationer: Gyrationsdiameter varierar från φ58 till φ620, nominellt vridmoment går från 0,15 till 1000 kN · m, och axelfoldvinkeln är högst 25 °.
Denna koppling fungerar bäst på specifika platser-som när du behöver en pålitlig tungt universalfogskoppling för rullande kvarnoperationer, eller en hållbar SWC universell fogskoppling i lyft- och materialhanteringsutrustning. I dessa fall visar det upp sin styrka: även under stora spänningar håller det operationerna stabila, ingen röra eller nedbrytningar.
Raydafons SWC Universal Joint-koppling kastas inte bara ihop-det är byggt med smart, aktuell teknik för att fungera bra och hålla länge i industriellt bruk. Låt oss gå igenom det som gör att strukturen sticker ut.
Först har den en rimlig och säker konfiguration: vi använde en integrerad gaffelhuvuddesign för denna industriella universella fogkoppling, som minskar riskerna som bultar som lossnar eller bryter. Den justeringen ensam gör den 30% -50% stabilare totalt sett, så den går säkert och konsekvent. Jämfört med regelbundna kopplingar varar det långt längre, och det undviker vanliga problem i högspänningsfläckar-som de tunga maskinernas universella fogkopplingssystem du ser i tuffa jobb.
Sedan finns det dess förbättrade bärande kapacitet: denna SWC tunga universella fogkoppling är gjord för att hantera stora vikter, så det är ett måste på platser som behöver förstklassig lasthantering, som gruvutrustning eller byggmaskiner.
Det träffar också hög transmissionseffektivitet - upp till 98,6%. Som en effektiv universell ledkoppling för stor kraftöverföring skär den och de kostnader som följer med den. Det är därför det är ett toppval för energibesparande Universal Joint-kopplingslösningar i högeffektiva industriella överföringsinställningar.
Och det går smidigt med lågt brus: överföringen förblir stadigt, och brus svävar vanligtvis mellan 30-40 dB (a). Denna universella kopplingskoppling med låg brus håller verksamheten tyst, vilket är perfekt för industriella platser där buller är ett problem-allt samtidigt som tillförlitligheten på en hög nivå.
⭐⭐⭐⭐⭐ Zhang Wei, Chief Engineer, Henan Mining Equipment Co., Ltd.
Vi har lagt Raydafons SWC-WD kort utan flangfläns-universalkoppling på våra gruvmaskiner, och det har passat perfekt. Dess kompakta design är precis vad vi behöver för trånga utrymmen där det inte finns mycket utrymme att spara, och byggnaden är tillräckligt tuff för att hålla verksamheten stabil. Även när det kör nonstop under tunga förhållanden, släpper denna koppling oss aldrig-inga misslyckanden alls. Vårt underhållsteam älskar att det knappt behöver checka in på, vilket innebär att vi kan hålla produktionen i rörelse smidigt utan extra krångel.
⭐⭐⭐⭐⭐ Michael Brown, Operations Manager, Texas Steel Works, USA
Vår Texas-workshop beställde SWC-WD-kort utan flangfläns-universalkoppling från Raydafon, och ärligt talat har kvaliteten blåst bort oss. Kopplingarna bearbetas riktigt bra, att installera dem är en cinch och de håller upp pålitligt även när de är under last. Vad stickade mest ut för mig? Hur väl det balanserar pris och prestanda - du hittar inte ofta den söta platsen. Att hitta en leverantör som konsekvent levererar denna kvalitetsnivå är inte lätt, men Raydafon har absolut bevisat att de är en pålitlig partner för oss.
⭐⭐⭐⭐⭐ Anna Müller, underhållsledare, Berlin Industrial Solutions, Tyskland
Vi satte Raydafons SWC-WD kort utan flangfläns-universalkoppling på vår Berlin-utrustningslinje, och resultaten har varit stora. Produkten i sig känns bunnsolid, svetsningen är exakt-inget lurvigt arbete här-och hittills har den hållits riktigt bra och visar toppklassbarhet. Jämfört med vissa andra märken som vi har använt här i Europa är denna koppling mycket mer tillförlitlig, och priset är också mycket mer konkurrenskraftigt. Om andra företag letar efter pålitliga universella kopplingar, skulle jag absolut rekommendera Raydafon.
Raydafons SWC-WD-kort utan flangfläns-universalkoppling-ofta kallad SWC Cardan Shaft Universal Joint-koppling-är byggd för trånga industriella platser, där utrymmet är begränsat och du behöver en fast längd design (ingen teleskopförlängning). Som en hög vridmoment universell fogkoppling rör sig den vridmoment effektivt mellan axlarna som inte är inriktade, hanterar vinkelavvikelser upp till 25 grader, och den förblir pålitlig även i tunga miljöer.
Låt oss prata om dess nyckelfunktioner: den har en kompakt och styv struktur-denna korta, icke-flexibla flänsinställning gör det till en pålitlig tungt universella ledkoppling för rullande kvarnoperationer, vilket ger extra stabilitet i installationer där axiell rörelse är minimal. Det är därför det fungerar så bra för anslutningar av fast avstånd i tuffa maskiner. Sedan finns det dess höga bärande kapacitet: vi använder tuffa material som gjutjärn eller legeringsstål för att göra det, så det är en hållbar SWC-universell fogskoppling i lyft- och materialhanteringsutrustning. Den har stora vikter och överför mer vridmoment än andra kopplingar av samma diameter, vilket gör det perfekt för tunga belastningar i gruv- eller konstruktionsutrustning.
Denna industriella universella fogkoppling kompenserar också för felinställning riktigt bra - oavsett om det är vinklat, parallellt eller axiell felinställning, det rör sig inte med rotationshastighet eller vridmomentöverföring. Det innebär smidig drift i tunga maskiner för universella fogskopplingssystem. Och det är effektivt vid kraftöverföring: Att slå upp till 98,6% effektivitet, denna SWC-tunga universella ledkoppling håller energiförlusten låg, vilket gör det till en effektiv universell ledkoppling för stor kraftöverföring i industriella uppsättningar med hög kraft.
Dessutom är den utformad för att spara energi och springa tyst-om du behöver energibesparande Universal Joint-kopplingslösningar är detta ett toppval som sänker driftskostnaderna. Och det håller brus mellan 30-40 dB (A), så denna universella gemensamma koppling med låg brus passar rätt i industriella platser där brus är ett problem.
Denna koppling lyser verkligen i specifika scenarier-som när du behöver en tillförlitlig tung universell fogkoppling för rullande kvarnoperationer, eller en hållbar SWC universell ledaxelkoppling vid lyft- och materialhanteringsutrustning. I dessa fall, även med extrem belastningar och begränsat utrymme, håller det operationer stabila, inga hicka.
När det gäller industriella universella gemensamma kopplingsapplikationer sticker vår SWC-WD-variant ut med smart teknik som gör att den presterar bättre och håller längre. Låt oss prata om dess nyckelstruktur: den har en rimlig, säker installation med en integrerad gaffelhuvuddesign-detta blir av med problem som bultar som kommer loss eller bryter, vilket ökar den totala styrkan med 30%-50%. Det betyder att det körs säkert och pålitligt, varar längre än gamla stilmodeller och undviker vanliga nedbrytningar på högspänningsplatser, som tunga maskiner för universella fogskopplingssystem.
Dessutom kan det hantera mycket mer belastning-vi byggde den för att stödja tyngre vikter, så denna SWC tunga universella fogkoppling är perfekt för platser som behöver tuff lasthantering, som gruv- eller konstruktionsutrustning. Den rör sig också super effektivt och slår upp till 98,6% överföringseffektivitet. Som en effektiv universell ledkoppling för stor kraftöverföring minskar den energianvändningen och de kostnader som följer med det, vilket gör det till ett toppval för energibesparande universella ledkopplingslösningar i högeffektiva industriella överföringsinställningar.
Och det går smidigt med knappt alla brus-överföring förblir stadigt, och brus förblir vanligtvis mellan 30-40 dB (a). Denna universella kopplingskoppling med låg brus håller verksamheten tyst, vilket är perfekt för industriella platser där buller är ett problem, samtidigt som det håller tillförlitligheten på en hög nivå.
Raydafon är inte bara ett annat namn i transmissionsdelar-vi är en ledande tillverkare och leverantör av högpresterande överföringskomponenter och industriella maskiner, och vi har ett kraftigt fokus på produkter som SWC Cardan Shaft Universal Joint-koppling. Vi började för att hålla jämna steg med vad globala industrier behöver när de utvecklas, och med tiden har vi byggt ut en fullständig sortiment: växellådor, drivaxlar, hydrauliska cylindrar, remskivor, precisionsmaskinverktyg-alla gjorda för att öka hur väl jordbruks- och tunga sektorer går. Vi är stora på innovation, varför vi kan leverera tillförlitliga tunga universella fogkoppling för rullande kvarnoperationer som passar till och med de mest komplexa systemen utan problem.
Våra anläggningar är också förstklassiga-vi har CNC-workshops, slip- och värmebehandlingsutrustning och avancerade 3D-mätsystem. Vi håller oss till strikta kvalitetsstandarder som ISO9001/TS16949, och den inställningen låter oss göra hög-vridmoment-gemensamma kopplingslösningar som flyttar vridmomentet bra och hanterar felinställning som en proffs. Ta vår hållbara SWC Universal Joint Shaft-koppling i lyft- och materialhanteringsutrustning, till exempel-det är byggt för platser som behöver tuff bärande kraft. Och vår industriella universella gemensamma kopplingslinje? Det täcker alla typer av användningsområden där precision och stabilitet är viktigast.
Åttio procent av det vi gör kommer att exporteras - till platser som USA, Tyskland, Japan, Italien, Malaysia, Australien och Mellanöstern. Vi har starka nätverk i Kina, Sydkorea, Storbritannien, Singapore, USA och Spanien också, så vi är solida globalt. Denna REACH låter oss erbjuda anpassade SWC-tunga universella fogkopplingsalternativ-Stailed exakt till vad klienter behöver, som i tunga maskiner universella fogkopplingssystem där det inte är förhandlingsbart att hålla sig stabila under extrema belastningar.
Vi bryr oss om hållbarhet och att göra lösningar som sätter kunder först. Det är därför vi utvecklar energibesparande universella ledkopplingslösningar som träffar upp till 98,6% överföringseffektivitet-skärning av energianvändning i högeffekt. Oavsett om du behöver en effektiv universell ledkoppling för stor kraftöverföring eller en universell koppling med låg brus för industriella platser där brus är ett problem, har våra produkter full efterförsäljningstjänst. Det är så vi har blivit en betrodd partner i överföringsbranschen - vi säljer inte bara delar, vi säkerhetskopierar dem.
Adress
Luotuo Industrial Area, Zhenhai District, Ningbo City, Kina
Tel
E-post


+86-574-87168065


Luotuo Industrial Area, Zhenhai District, Ningbo City, Kina
Copyright © Raydafon Technology Group Co., Limited alla rättigheter reserverade.
Links | Sitemap | RSS | XML | Sekretesspolicy |
