QR-kod
Produkt
Kontakta oss


Fax
+86-574-87168065

E-post

Adress
Luotuo Industrial Area, Zhenhai District, Ningbo City, Kina
Raydafons SWC-WF utan flangfläns typ Universal-koppling görs bara för överföring av hög vridmoment i tunga maskiner-tänk metallurgi, kranar, gruvsystem, alla tuffa inställningar som behöver stabil kraft. Den har en icke-flexibel flänsskonstruktion, gyrationsdiametrar som sträcker sig från 160 mm till 640 mm, och denna universella koppling av flänsstyp hanterar stora vinklade feljusteringar plus kontinuerliga rotationshastigheter inga problem, även när man arbetar under super krävande förhållanden. Vi använder höghållfast 35crmo-stål för att bygga det, så det står upp till intensiva laster perfekt-exakt varför det är ett toppval för universella kopplingar för tunga maskiner och icke-flex-universella kopplingar för industriella applikationer. Raydafons precisionstillverkning ser till att den levererar solid prestanda varje gång, särskilt för branscher som inte kan kompromissa med konsekvent momentleverans.
Denna SWC-WF-universella koppling är byggd för att hålla, med en styv flänsanslutning som gör installationen enkel i system som skeppsbyggnadsenheter och rullande fabriker-platser där axiell rörelse inte är mycket. Vi följer ISO 9001-standarder strikt, och vår Kina-baserade fabrik använder avancerad bearbetning plus snäva kvalitetskontroller för att göra denna hållbara flänsuniversitetskoppling. Det finns i anpassningsbara storlekar, med momentbetyg upp till 1250 kN · m, så det passar rätt in i anpassade universella kopplingar för metallurgiutrustning och andra tunga inställningar. Raydafon erbjuder också skräddarsydda lösningar till konkurrenskraftiga priser, vilket hjälper till att minska driftstoppet och öka utrustningens tillförlitlighet.
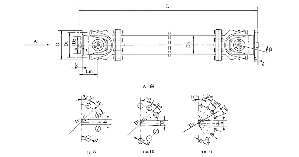
| Inga. | Gyrationsdiameter D mm | Nominell vridmoment Tn Kn · m | Axlar vikvinkel β (°) | Trötta vridmoment Tf Kn · m | Storlek (mm) | Tröghet kg.m2 | Vikt (kg) | |||||||||||
| Lmin | D1 (JS11) | D2 (H7) | D3 | Lm | n-d | k | t | b (H9) | g | Lmin | Öka 100 mm | Lmin | Öka 100 mm | |||||
| Swc285wf | 285 | 90 | 45 | ≤15 | 810 | 245 | 170 | 194 | 160 | 8-21 | 27 | 7 | 40 | 15 | 2.664 | 0.051 | 220 | 6.3 |
| Swc315wf | 315 | 125 | 63 | 915 | 280 | 185 | 219 | 180 | 10-23 | 32 | 8 | 40 | 15 | 4.469 | 0.0795 | 300 | 8.0 | |
| SWC350WF | 350 | 180 | 90 | 980 | 310 | 210 | 267 | 194 | 10-23 | 35 | 8 | 50 | 16 | 7.388 | 0.2219 | 412 | 15.0 | |
| SWC390WF | 390 | 250 | 125 | 1100 | 345 | 235 | 267 | 215 | 10-25 | 40 | 8 | 70 | 18 | 13.184 | 0.2219 | 588 | 15.0 | |
| SWC440WF | 440 | 355 | 180 | 1290 | 390 | 255 | 325 | 260 | 16-28 | 42 | 10 | 80 | 20 | 23.250 | 0.4744 | 880 | 21.7 | |
| SWC490WF | 490 | 500 | 250 | 1360 | 435 | 275 | 325 | 270 | 16-31 | 47 | 12 | 90 | 22.5 | 40.750 | 0.4744 | 1173 | 21.7 | |
| SWC550WF | 550 | 710 | 355 | 1510 | 492 | 320 | 426 | 305 | 16-31 | 50 | 12 | 100 | 22.5 | 68.480 | 1.3570 | 1663 | 34.0 | |
| Swc620wf | 620 | 1000 | 500 | 1690 | 555 | 380 | 426 | 340 | 10-38 | 55 | 12 | 100 | 25 | 127.530 | 1.3570 | 2332 | 34.0 | |
* 1. TF-under växlingen Ladda vridmomentet som tillåter enligt trötthetsstyrkan.
* 2. L-installlängd, som är enligt kravet.
Raydafons SWC-WF utan flangfläns-gemensamt koppling-även kallad SWC Cardan Shaft Universal Joint-koppling-arbetar på en grundläggande mekanisk idé: Det får vridmoment från två icke-collinear axlar till vart den behöver gå, och den hanterar också felanpassning. Denna högt vridmoments universella fogkoppling använder en tvärbärande installation för att koppla flänsarna i båda ändarna, så även när axlarna kompenseras med upp till 25 grader eller har axiella/radiella avvikelser, rör sig fortfarande rotationskraften smidigt.
Hjärtat i hur det fungerar är den universella gemensamma designen - det finns en tväraxel som fungerar som en pivot och låter varje fläns röra sig på egen hand. På så sätt går vridmomentet från den drivande axeln till den drivna axeln effektivt, och det kompenserar för vinkelfel utan att sätta för mycket stress på de delar den är ansluten till. Om du behöver en tillförlitlig tunga universell ledkoppling för rullande kvarnoperationer, håller den här styva, icke-flexibla flänsstrukturen saker stabila, vilket är perfekt för kortdistansanslutningar i kompakta tunga maskiner.
Det som gör att funktionen sticker ut är att den inte har flexibla delar eller expansionsfunktioner - detta skiljer den från andra typer och gör den bra för platser där axiell rörelse är minimal. Den hållbara SWC Universal Joint Shaft -kopplingen som vi använder vid lyft- och materialhanteringsutrustning lutar sig efter denna princip för att förbli balanserad även under stora belastningar; Den träffar överföringseffektivitet upp till 98,6% och slösar inte mycket energi. Denna industriella universella fogkoppling minskar också vibrationer tack vare exakt lagerrörelse, så den går smidigt även i situationer med hög stress-precis som de tunga maskinerna för universella fogskopplingssystem som du skulle se i tuffa industriella jobb.
Dessutom har Raydafons SWC tunga universella fogkoppling svetsat flänsar för att göra det stabilare-inte mer oroande för att bultar kommer loss, och det ökar den totala styrkan med 30% till 50%. Som en effektiv universell ledkoppling för stor kraftöverföring hanterar den nominella vridmoment från 0,15 till 1000 kN · m och har gyrationsdiametrar från φ58 till φ620-vilket gör det till ett toppval för energibesparande universella gemensamma kopplingslösningar för att kräva industriella överföring. Och med buller som hålls mellan 30-40 dB (A), går denna universella gemensamma kopplingskoppling tyst, vilket är idealiskt för industriella platser där buller är ett problem, samtidigt som man håller upp höga tillförlitlighetsstandarder.
Raydafons SWC Universal Joint -koppling - ofta kallad SWC Cardan Shaft Universal Joint -koppling - är inte bara en regelbunden del; Det är ett måste för tunga industriella inställningar, som rullande fabriker, lyftmaskiner och alla typer av tuffa tunga maskiner. Som en hög-vridmoment universell ledkoppling gör det ett fast jobb som kopplar samman två överföringsaxlar som inte stämmer perfekt, och se till att kraften fortsätter att flyta även när arbetsförhållandena blir grova.
Låt oss prata om dess nyckelspecifikationer: Gyrationsdiametern sträcker sig från φ58 till φ620, nominellt vridmoment går från 0,15 till 1000 kN · m, och axelfoldvinkeln är högst 25 °.
Den här produkten lyser verkligen i specifika scenarier-som när du behöver en pålitlig tunga universalfogskoppling för rullande kvarnoperationer, eller en hållbar SWC universell fogskoppling i lyft- och materialhanteringsutrustning. I dessa fall bevisar det att det är värt genom att hålla verksamheten stabil, även när den har att göra med tunga belastningar.
Raydafons SWC Universal Joint-koppling är inte bara byggd för funktion-det är konstruerat med smart design för att hålla upp i industriellt bruk och fortsätta att utföra bra på lång sikt. Låt oss bryta ner vad som gör att strukturen sticker ut.
Först har den en rimlig och säker konfiguration: vi använde en integrerad gaffelhuvuddesign för denna industriella universella fogkoppling, som minskar riskerna som bultar som lossnar eller bryter. Det enbart ökar sin strukturella integritet med 30%-50%, så det fungerar säkert och pålitligt. Jämfört med regelbundna kopplingar varar det längre och undviker vanliga nedbrytningar i platser med hög stress-som de tunga maskinerna för universella fogskopplingar du ser i tuffa jobb.
Sedan finns det dess förbättrade bärande kapacitet: denna SWC tunga universella fogkoppling är gjord för att hantera stora vikter, så det är ett måste på platser som behöver förstklassig lasthantering, som gruv- eller konstruktionsmaskiner.
Det ger också hög transmissionseffektivitet - upp till 98,6%. Som en effektiv universell ledkoppling för stor kraftöverföring sänker den energianvändningen och de kostnader som följer med den. Det är därför det är ett toppval för energibesparande Universal Joint-kopplingslösningar i högeffektiva industriella överföringsinställningar.
Och det går smidigt med lågt brus: det håller överföringen stabilt, och brus förblir vanligtvis mellan 30-40 dB (A). Denna universella kopplingskoppling med låg brus ser till att operationerna förblir tyst, vilket är perfekt för platser där buller är ett problem-allt samtidigt som tillförlitligheten på en hög nivå.
⭐⭐⭐⭐⭐ Chen Liang, produktionsingenjör, Zhejiang Machinery Co., Ltd.
Vi satte Raydafons SWC-WF utan Flex Flange Type Universal-koppling på en av våra produktionslinjer, och det har fungerat bra hittills. Strukturen är enkla men tufft - att installera det var en bris, inga komplicerade steg. När den har ställts in går det smidigt, inget behov av extra tweaks. Även när lasten är tung, förblir denna koppling pålitlig, vilket innebär att vi kan hålla maskinerna igång långa timmar utan att oroa sig för mycket - definitivt ger oss mer sinnesfrid.
⭐⭐⭐⭐⭐ Sun Mei, köphandledare, Hebei Steel Co., Ltd.
Vårt företag köpte flera SWC-WF utan flangfläns-universella kopplingar från Raydafon, och först var leveransen rätt i tid, och förpackningen var också försiktig-ingen skada alls. Det som verkligen sticker ut för mig är vad verkstadsteamet sa: De sa till mig att kopplingarna var enkla att installera, och när de använder dem känner de sig riktigt solida. Plus, jämfört med andra leverantörer, är priset här rättvist. Sammantaget är vi riktigt nöjda med det här köpet.
⭐⭐⭐⭐⭐ Guo Jun, underhållschef, Liaoning Heavy Industry Group
Mitt jobb är att hålla våra maskiner igång, och jag försöker minska driftstoppet så mycket jag kan. Sedan vi började använda Raydafons SWC-WF utan flangfläns-universalkoppling har jag märkt en stor skillnad-mindre slitage från den delen och hur färre problem under drift. Designen är tuff, och den behöver inte mycket underhåll. Det sparar oss både tid och pengar, och det har visat sig vara en super pålitlig del för vår utrustning.
Raydafon är ett viktigt dotterbolag till Ever-Power Group Co., Ltd.-Vi är inte bara en leverantör, utan en leverantör av överföringskomponenter av högsta kvalitet och industriella lösningar, och vi sätter mycket fokus på innovativa produkter som SWC Cardan Shaft Universal Joint-koppling. Sedan vi började har vi handlat om att främja teknik och växa på globala marknader; Vi slutade inte med att sälja enstaka komponenter-nu skapar vi fullsystemlösningar som passar jordbruks- och tungt industriella behov perfekt. Vår kunskap i drivaxlar och transmissionsprodukter innebär att klienter som behöver tillförlitliga tunga universella gemensamma kopplingar för rullande kvarnoperationer (och andra tuffa jobb) kan räkna med oss som en solid partner.
På Raydafon gör vi ett brett utbud av produkter: växellådor, drivaxlar, hydraulcylindrar, remskivor och till och med avancerade maskinverktyg som CNC -svarvar och fräsmaskiner. Våra högvridande universella gemensamma kopplingslösningar-till exempel SWC-serien-är byggda för att hantera de strikta kraven från industrier som behöver hållbara SWC Universal Joint Shaft-koppling i lyft- och materialhanteringsutrustning. Vi har också avancerade faciliteter: CNC-workshops, slip- och värmebehandlingsmaskiner, 3D-mätverktyg-allt för att hålla sig till ISO9001/TS16949-standarder, så varje industriell universell koppling som vi gör är högsta kvalitet och exakt.
Vi säljer 80% av våra produkter utomlands, till marknader som USA, Tyskland, Japan, Italien, Malaysia, Australien och Mellanöstern. Och vi har ett starkt nätverk på platser som Kina, Sydkorea, Storbritannien, Singapore, USA och Spanien för att säkerhetskopiera det. Denna globala räckvidd låter oss skapa anpassade lösningar, som SWC tunga universella fogkoppling-designade för tunga maskiner för universella fogkopplingssystem som behöver hantera stora laster och pågå länge.
Innovation och att göra kunder lyckliga är våra prioriteringar. Vi erbjuder energibesparande Universal Joint-kopplingslösningar som träffar upp till 98,6% överföringseffektivitet och sänker driftskostnaderna för högeffektiva inställningar. Oavsett om du behöver en effektiv universell ledkoppling för stor kraftöverföring eller en universell koppling med låg brus för platser där brus är viktigt, har våra produkter professionell service efter försäljning-och vi är hängivna att göra saker rätt. Det är därför Raydafon är det bästa valet för alla dina överföringsbehov.
Adress
Luotuo Industrial Area, Zhenhai District, Ningbo City, Kina
Tel
E-post


+86-574-87168065


Luotuo Industrial Area, Zhenhai District, Ningbo City, Kina
Copyright © Raydafon Technology Group Co., Limited alla rättigheter reserverade.
Links | Sitemap | RSS | XML | Sekretesspolicy |
