QR-kod
Produkt
Kontakta oss


Fax
+86-574-87168065

E-post

Adress
Luotuo Industrial Area, Zhenhai District, Ningbo City, Kina
Raydafons SWC-DH Short Flex Welding Type Universal-koppling är byggd för att ansluta feljusterade axlar i tunga växlar-tänk rullande fabriker, lyftanordningar och stålbearbetningsmaskiner. Det är en kompakt kort flex universalkoppling, med en gyrationsdiameter som sträcker sig från 45 mm till 390 mm. Även när axlarna är avstängda med upp till 25 grader (vinkelfel) rör sig det fortfarande vridmomentet effektivt - maxar ut vid 1000 kN · m, vilket passar rätt in med tung utrustningens kraftbehov.
Vi gör det med höghållfast 35crmo-stål och lägger till fyra nållager, så det håller upp under tunga belastningar. Det är därför det är en solid val för universella kopplingar av industriella maskiner och fungerar bra som tung utrustning svetsade universella kopplingar i fläckar där belastningar förblir högt direkt. Dess kortflexdesign är perfekt för maskiner med lite utrymme för axiell rörelse också-ger en tuff överföringsfix för tuffa industriutrymmen.
Raydafons är en Kina-baserad tillverkare med ISO 9001-certifiering, så vi håller oss till strikta kvalitetsregler för varje SWC-DH Universal-koppling. Korsaxeln får en kromplatta för att bekämpa korrosion, så det varar även när förhållandena är hårda. Det svetsade ok gör installationen också enklare - bara linje upp axlarna till höger, och det fungerar som bäst. Du hittar det på redskap i metallurgi, gruv- och kransystem, inga problem.
Dessutom finns denna koppling i olika storlekar och momentbetyg. Om du behöver en anpassad universell koppling för industrimaskiner - säg för skördare eller andra specifika redskap - kan vi skräddarsy det efter dina behov och priset förblir konkurrenskraftigt. Vi har tillverkningskunskapen för att göra den här korta flexkopplingen nedskärning på utrustningens driftstopp, så dina maskiner går mer pålitligt övergripande.
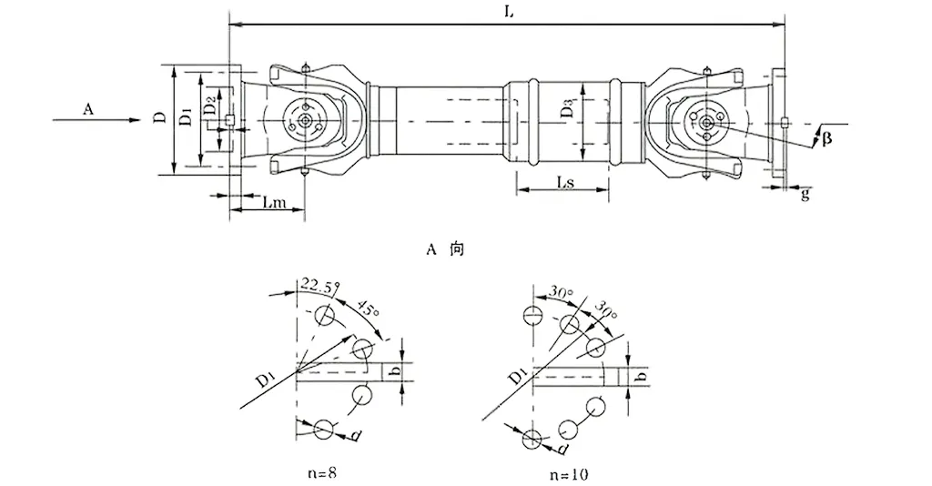
| Inga. | Gyrationsdiameter D mm | Nominell vridmoment Tn Kn · m | Axlar vikvinkel β (°) | Trött vridmoment TF Kn · m | Flexkvantitet Ls mm | Storlek (mm) | Tröghet kg.m2 | Vikt (kg) | |||||||||||
| Lmin | D1 (JS11) | D2 (H7) | D3 | Lm | n-d | k | t | b (H9) | g | Lmin | Öka 100 mm | Lmin | Öka 100 mm | ||||||
| SWC180DH1 | 180 | 20 | 10 | ≤25 | 75 | 650 | 155 | 105 | 114 | 110 | 8-17 | 17 | 5 | - | - | 0.165 | 0.0070 | 58 | 2.8 |
| SWC180DH2 | 55 | 600 | 0.162 | 56 | |||||||||||||||
| SWC180DH3 | 40 | 550 | 0.160 | 52 | |||||||||||||||
| SWC225DH1 | 225 | 40 | 20 | ≤15 | 85 | 710 | 196 | 135 | 152 | 120 | 20 | 5 | 32 | 9.0 | 0.415 | 0.0234 | 95 | 4.9 | |
| SWC225DH2 | 70 | 640 | 0.397 | 92 | |||||||||||||||
| SWC250DH1 | 250 | 63 | 31.5 | ≤15 | 100 | 795 | 218 | 150 | 168 | 140 | 8-19 | 25 | 6 | 40 | 12.5 | 0.900 | 0.0277 | 148 | 5.3 |
| SWC250DH2 | 70 | 735 | 0.885 | 136 | |||||||||||||||
| SWC285DH1 | 285 | 90 | 45 | ≤15 | 120 | 950 | 245 | 170 | 194 | 160 | 8-21 | 27 | 7 | 40 | 15.0 | 1.876 | 0.0510 | 229 | 6.3 |
| SWC285DH2 | 80 | 880 | 1.801 | 221 | |||||||||||||||
| SWC315DH1 | 315 | 125 | 63 | ≤15 | 130 | 1070 | 280 | 185 | 219 | 180 | 10-23 | 32 | 8 | 40 | 15.0 | 3.331 | 0.0795 | 346 | 8.0 |
| SWC315DH2 | 90 | 980 | 3.163 | 334 | |||||||||||||||
| SWC350DH1 | 350 | 180 | 90 | ≤15 | 140 | 1170 | 310 | 210 | 267 | 194 | 10-23 | 35 | 8 | 50 | 16.0 | 6.215 | 0..2219 | 508 | 15.0 |
| SWC350DH2 | 90 | 1070 | 5.824 | 485 | |||||||||||||||
| SWC390DH1 | 390 | 250 | 125 | ≤15 | 150 | 1300 | 345 | 235 | 267 | 215 | 10-25 | 40 | 8 | 70 | 18.0 | 11.125 | 0.2219 | 655 | |
| SWC390DH2 | 90 | 1200 | 10.763 | 600 | |||||||||||||||
* 1. TF-under växlingen Ladda vridmomentet som tillåter enligt trötthetsstyrkan. * 2. LMIN-den minsta längden efter snittet. * 3. L-Installlängd, som är enligt kravet
SWC Universal Joint-kopplingen, ofta kallad SWC Cardan Shaft Universal Joint-koppling, är en viktig komponent i tunga industriscenarier. Det är nödvändigt för rullande fabriker, lyftmaskiner och olika storskaliga tunga maskiner. Som en universell koppling med högt vridmoment kan den effektivt ansluta två transmissionsaxlar med icke-sammanfallande axlar, vilket säkerställer oavbruten kraftöverföring även under komplexa och hårda arbetsförhållanden.
Kärntekniska parametrarna för denna koppling är följande:
Gyrationsdiameter: φ58 - φ620
Nominellt vridmoment: 0,15 - 1000 kN · m
Axelfällningsvinkel: ≤25 °
I praktiska tillämpningar fungerar det exceptionellt bra. Till exempel, under rullande kvarnoperationer, när en pålitlig tunga universella fogkoppling som ägnas åt rullande kvarnar behövs, eller vid lyft- och materialhanteringsutrustning, när en hållbar SWC-universell fogaxelkoppling krävs, är denna produkt helt kompetent. Även under tunga belastningar kan det stabilt upprätthålla utrustningens operativa stabilitet.
SWC Universal Joint -kopplingen är utformad med avancerade tekniska principer, levererar exceptionell prestanda och längre livslängd i industriella miljöer. Dess huvudsakliga strukturella egenskaper är följande:
Rimlig och säker struktur: Med en integrerad gaffelhuvuddesign minskar denna industriella universella fogkoppling risken för att bultar lossnar eller brott, vilket ökar strukturell styrka med 30%-50%. Denna design säkerställer säker och tillförlitlig drift, utökar livslängden jämfört med traditionella modeller och förhindrar gemensamma fel i högtrycksscenarier som tunga maskiner för universella ledkopplingssystem.
Förbättrad lastbärande kapacitet: SWC: s tunga universella fogkoppling är speciellt utformad för att bära tunga belastningar, vilket gör det viktigt i scenarier som kräver utmärkt lasthantering som gruv eller byggmaskiner.
Hög överföringseffektivitet: Med en effektivitet på upp till 98,6%minskar denna effektiva universella fogkoppling för högkraftöverföring avsevärt energiförbrukning och relaterade kostnader, vilket gör det till det första valet för energibesparande universella fogkopplingslösningar i högeffektiva industriella överföringssystem.
Stabil drift med lågt brus: Denna universella kopplingskoppling med låg brus fungerar stabilt med ljudnivåer vanligtvis mellan 30-40 dB (A), vilket säkerställer tyst prestanda. Det är idealiskt för bruskänsliga miljöer samtidigt som hög tillförlitlighet bibehålls.
Universella fogkopplingar, särskilt SWC Cardan Shaft Universal Joint -koppling, har blivit oundgängliga överföringskomponenter i industriella tillämpningar på grund av deras enastående fördelar. De kan tillgodose kärnbehovet med sina prestanda inom fält som tunga maskiner, precisionstillverkning och energiöverföring. Nedan följer en detaljerad analys av deras viktigaste fördelar:
1. Stark vridmomentöverföring och utmärkt feljusteringskompensation
Som en hög-vridmoment universell ledkoppling kan den stabilt överföra högeffektbelastningar. Till och med i scenarier där axeljustering sker ofta under rullande kvarnoperationer-till exempel axiell förskjutning orsakad av rullslitning och temperaturförändringar under stålrullning-denna pålitliga tunga universella ledkoppling för rullande kvarnoperationer kan hantera det med lätthet. Det kan samtidigt kompensera för vinkel-, axiella och radiella feljusteringar, med en maximal vinkelfel på upp till 25 grader. Denna utmärkta anpassningsförmåga för feljustering förhindrar överföringssylt som orsakas av feljustering av axlar, säkerställer kontinuerlig och stabil kraftleverans, avsevärt minskar sannolikheten för mekaniska fel under extrema arbetsförhållanden och garanterar kontinuerlig drift av produktionslinjer.
2. Hög hållbarhet och längre livslängd
Utformningen och materialvalet av SWC universella ledkopplingar är centrerade på "motstånd mot tunga belastningar och motståndande hårda miljöer". Huvudkroppen är tillverkad av höghållfast legeringsstål, i kombination med en integrerad gaffelhuvudstruktur, vilket i grunden reducerar vanliga felpunkter såsom bult som lossnar och komponentbrott. Genom att ta den hållbara SWC -universella fog -axelkopplingen som används vid lyft- och materialhanteringsutrustning som exempel kan det tåla den omedelbara slagbelastningen när du lyfter tunga föremål och upprätthåller stabila prestanda i hårda miljöer som damm och höga temperaturer. Jämfört med traditionella splitstrukturkopplingar har denna industriella universella fogkoppling en total styrka ökat med 30%-50%, vilket inte bara minskar frekvensen av dagligt underhåll utan också förlänger livslängden med 2-3 år. Det är särskilt lämpligt för de långsiktiga högbelastningens driftsbehov för tunga maskiner för universella fogkopplingssystem.
3. Hög överföringseffektivitet och betydande energibesparande effekt
Tester har visat att överföringseffektiviteten för SWC-tunga universella fogkoppling är så hög som 98,6%, vilket har uppenbara fördelar i högeffektiva industriella överföringsscenarier-såsom masugnfläktar i stålplantor och koltransportsystem i kraftverk. För utrustning som kräver kontinuerlig högeffektöverföring kan matchning med denna effektiva universella ledkoppling för stor kraftöverföring minimera effektförlust. För företag som bedriver energibesparande universella ledkopplingslösningar kan denna höga effektivitet direkt konverteras till kostnadsfördelar: att ta en industrikostnad på 1500 kW som ett exempel kan spara mer än 12 000 yuan i elkostnader per år och kan hjälpa företag att minska betydande driftskostnader i långvarig användning, medan den uppfyller den energibesparande och konsumtionsutvecklingen.
4. Stabil och tyst drift, lämplig för flera scenarier
Genom att optimera lagringens anpassningsnoggrannhet och använda smörjfett med en låg friktionskoefficient är driftsljudet för denna låga brusande universella fogkoppling strikt kontrollerad vid 30-40 dB (A), vilket motsvarar den omgivande ljudnivån för en daglig kontor och uppfyller fullt utljudstandarder för industriella platser. I bruskänsliga scenarier-till exempel produktionslinjer i livsmedelsbearbetningsanläggningar och transportutrustning för precision av elektroniska komponenter-kan det inte bara säkerställa överföringssystemets stabilitet och tillförlitlighet utan också undvika att påverka verkstadsmiljön eller anställdas driftserfarenhet på grund av buller. Samtidigt kan de stabila transmissionsegenskaperna också minska slitaget av omgivande komponenter orsakade av vibrationer i utrustningen, vilket ytterligare förbättrar driftsstabiliteten och livslängden för hela produktionssystemet.
SWC-DH Short Flex Welding Type Universal-koppling, ofta kallad SWC Cardan Shaft Universal Joint-koppling, används främst i tunga maskiner som rullande fabriker och lyftanordningar. Denna typ av utrustning har extremt höga krav för strukturell kompakthet och flexibilitet - bara genom att möta dessa två punkter kan effektivt uppnås, och denna koppling uppfyller perfekt sådana behov. Som en universell koppling med högt vridmoment kan den effektivt ansluta två transmissionsaxlar med icke-samtidiga axlar, vilket säkerställer sömlös kraftöverföring även i hårda industriella miljöer som kräver exakt kompensation för felanpassning av axlar.
I praktiska tillämpningar, oavsett om det krävs en tillförlitlig tunga universella fogkoppling för rullande kvarnoperationer under rullande fabriksarbete, eller en hållbar SWC-universell ledaxelkoppling krävs vid lyft- och materialhanteringsutrustning, kan denna produkt utföra utmärkt-det kan upprätthålla stabil utrustning även under extrem belastningar. Dess anpassningsfördel är särskilt framträdande i kompakta utrustningslayouter där utrymmet är begränsat och en kort flexibel strukturdesign krävs.
Denna SWC-DH Industrial Universal Joint-koppling är byggd med avancerad teknisk teknik och optimeras för prestanda och livslängd specifikt för industriella scenarier. Dess kärnstrukturella egenskap ligger i sin rimliga och säkra design: den integrerade gaffelhuvudstrukturen eliminerar grundläggande de dolda farorna med att lossa eller bryta, vilket ökar den totala styrkan med 30%-50%. Denna design säkerställer inte bara säkerheten och tillförlitligheten i drift utan utvidgar också livslängden jämfört med traditionella modeller, samtidigt som man undviker vanliga felproblem i högspänningsscenarier som tunga maskiner för universella ledkopplingssystem.
Dessutom förbättras dess bärande kapacitet genom design för att motstå större vikter, så denna SWC-tunga universella fogkoppling är mycket lämplig för scenarier med strikta krav på bärande kapacitet, såsom gruvmaskiner och konstruktionsutrustning. När det gäller överföringseffektivitet når den upp till 98,6%. Som en effektiv universell ledkoppling för stor kraftöverföring kan det avsevärt minska energiförbrukningen och elkostnaderna, vilket gör den till en föredragen produkt för energibesparande universella ledkopplingslösningar inom området med hög kraftindustriell överföring.
Slutligen har denna koppling stabil växellåda, med driftsljud som vanligtvis kontrolleras vid 30-40 dB (A), vilket gör det till en universell koppling med låg brus. Denna egenskap gör det möjligt att fungera tyst även i bruskänsliga industriscenarier samtidigt som hög tillförlitlighet håller hög tillförlitlighet.
⭐⭐⭐⭐⭐ Wang Lei, projektingenjör, Guangdong Heavy Machinery Co., Ltd.
Vi har använt Raydafons SWC-DH Short Flex Welding Type Universal Coupling i våra tunga maskiner ett tag nu, och det har varit en trevlig överraskning-särskilt när det gäller att passa in i trånga fläckar. Vår utrustning har ganska begränsat utrymme för transmissionsdelar, men denna kopplings kompakta design passar som en handske, inget behov av att ordna om andra komponenter bara för att få det att fungera.
Det som är ännu bättre är att det inte offrar prestanda för storlek. Det levererar fortfarande stark, stadig vridmomentöverföring-kritisk för våra tunga verksamheter. Vi har kört det kontinuerligt i veckor, och det har varit noll onormal vibration; Hela systemet förblir smidigt. Svetskvaliteten är också en annan höjdpunkt-du kan säga att det är fast bara genom att titta på den, vilket ger oss totalt förtroende för att det kommer att hålla upp till långsiktig tung användning. För en koppling som balanserar rymdbesparande design och tillförlitlighet är den här en vinnare.
⭐⭐⭐⭐⭐ Zhao Ming, upphandlingschef, Tianjin Steel Equipment Co., Ltd.
Vi beställde nyligen flera SWC-DH-kopplingar från Raydafon, och jag måste säga, hela upphandlingsprocessen var en bris-ingen huvudvärk, inga förseningar. Från det ögonblick som vi skickade i ordern var deras team lyhörd, och leveransen dök upp precis vid det schemalagda datumet, vilket är ett stort plus för att hålla vår produktion på rätt spår. Förpackningen var också förstklassig: Varje koppling lindades säkert, inga bucklor eller skador under frakt-bara redo att ta bort och installera.
Vårt tekniska team hanterade installationen, och de nämnde direkt hur lätt det var att montera. Inga komplicerade steg, inget behov av att jaga efter specialverktyg - de fick det snabbt, och det har körts pålitligt sedan dess. När du faktorerar det rimliga priset i kombination med denna konsekventa prestanda är det tydligt att denna koppling erbjuder stort värde. Vi planerar redan att hålla den på vår regelbundna upphandlingslista; Det är den typ av produkt som gör mitt jobb som köpare enklare.
⭐⭐⭐⭐⭐ Liu Hong, underhållsdirektör, Shandong Industrial Group
Som någon som övervakar utrustningens underhåll är min största prioritering att minska driftstopp och minska tiden mitt team spenderar på service av delar. Raydafons SWC-DH-koppling kontrollerar båda dessa rutor perfekt. Vi använder den i utrustning som körs under tunga arbetsbelastningar dagligen, och den glider aldrig eller skiftar - rymmer fast på plats, inga lösa anslutningar. Även efter månader av användning finns det knappt några tecken på slitage, vilket är en enorm kontrast till andra kopplingar vi har använt tidigare.
Med de äldre kopplingarna planerade vi alltid snabbkorrigeringar eller delutbyten, som åt till produktionstid och läggs till i kostnader. Den här? Vi berör knappt det - ingen ofta service, inga oväntade nedbrytningar. Det har räddat oss så mycket tid och pengar på underhåll, och det fortsätter bara att göra sitt jobb pålitligt. Idag har det blivit en komponent i vår dagliga verksamhet; Jag behöver inte oroa mig för att det misslyckas, vilket låter mig fokusera på andra prioriteringar. Det är exakt den typ av pålitlig del som alla underhållsteam behöver.
Adress
Luotuo Industrial Area, Zhenhai District, Ningbo City, Kina
Tel
E-post


+86-574-87168065


Luotuo Industrial Area, Zhenhai District, Ningbo City, Kina
Copyright © Raydafon Technology Group Co., Limited alla rättigheter reserverade.
Links | Sitemap | RSS | XML | Sekretesspolicy |
