QR-kod
Produkt
Kontakta oss


Fax
+86-574-87168065

E-post

Adress
Luotuo Industrial Area, Zhenhai District, Ningbo City, Kina
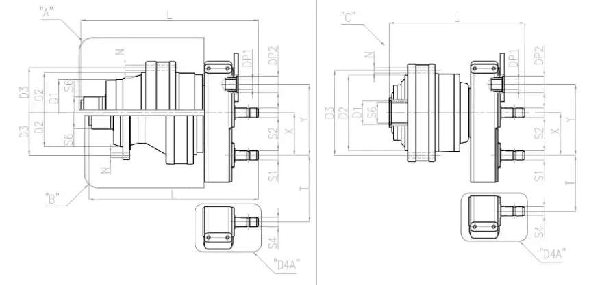
| Modell | PG-702 | PG-1002 | PG-1602 | PG-1802 | PG-2502 | PG-3002 | PG-3503 | |||
| Förhållande i | 18.2 | 18.3 | 13.4-33.6 | 15.7-29.9 | 14.6-20-36.2 | 45.3 | 53.7 | |||
| Utgångstyp | B | B | B | C | B | C | A | C | C | C |
| D1 |
|
|
|
88HB |
|
88HB | 245F7 | 102H7 | 102H7 | 122HF |
| D2 | 200f7 | 230F7 | 230F7 | 278F7 | 230F | 278F7 | 340F7 | 340F7 | 340F7 | 340F7 |
| D3 | 250 | 295 | 295 | 314 | 295 | 314 | 370 | 370 | 370 | 370 |
| N | ∅15 × n ° 12 | ∅17 × N ° 10 | ∅17 × N ° 10 | ∅15 × n ° 18 | ∅17 × N ° 10 | ∅15 × n ° 18 | ∅17 × n ° 15 | ∅17 × n ° 15 | ∅17 × n ° 15 | ∅17 × n ° 15 |
| L | 646.5 | 627.5 | 693 | 490.5 | 714 | 499.5 | 798.5 | 595.5 | 601 | 680.5 |
| S6 | 70*64 DIN5482 | 80*74 DIN5482 | 100*94 DIN5482 | 80*74 DIN5482 | 100*94 DIN5482 | 80*74 DIN5482 | 100*94 DIN5482 | 100*94 DIN5482 | 100*94 DIN5482 | 120*22*5 DIN5482 |
| S1 | 1 "3/8 Z6 | 1 "3/8 Z6 | 1 "3/8 Z6 | 1 "3/8 Z6 | 1 "3/8 Z6 | 1 "3/8 Z6 | 1 "3/8 Z6 | 1 "3/8 Z6 | 1 "3/8 Z6 | 1 "3/8 Z6 |
| S2 | 1 "3/8 Z6 | 1 "3/8 Z6 | 1 "3/8 Z6 | 1 "3/8 Z6 | 1 "3/8 Z6 | 1 "3/8 Z6 | 1 "3/8 Z6 |
|
|
|
| Dp1 | 40*36 DIN5482 | 40*36 DIN5482 | 40*36 DIN5482 | 40*36 DIN5482 | 40*36 DIN5482 | 40*36 DIN5482 | 40*36 DIN5482 | 40*36 DIN5482 | 40*36 DIN5482 | 40*36 DIN5482 |
| Dp2 | 60,3HB | 60,3HB | 60,3HB | 60,3HB | 60,3HB | 60,3HB | 60,3HB | 60,3HB | 60,3HB | 60,3HB |
| X | 157 | 157 | 157 | 157 | 157 | 157 | 157 | 157 | 157 | 157 |
| Y | 262 | 262 | 262 | 262 | 262 | 262 | 262 | 262 | 262 | 262 |
| S4 |
|
|
|
1 "3/8 Z6 |
|
1 "3/8 Z6 |
|
1 "3/8 Z6 | 1 "3/8 Z6 | 1 "3/8 Z6 |
| T |
|
|
|
156.8 |
|
156.8 |
|
156.8 | 156.8 | 156.8 |
| Modell | Förhållande i | D1 | D2 | D3 | D4 | N | E |
| PG-1602 | 22.14-33.6 | 80*74 DIN5482 | 225 F7 | 278 F7 | 314 | ∅15 × n ° 18 | SAE B/SAE C |
| PG-2502 | 20-36.2 | 100*94 DIN5482 | 245 F7 | 340F7 | 370 | ∅17 × n ° 15 | SAE B/SAE C |
| Modell | Förhållande i | D1 | D2 | D3 | N | E |
| PG-161 | 3.55-2.49-5.60 | 40*36 DIN5482 | 110 F7 | 165 | ∅10,5 × N ° 8 | SAE A/SAE B/SAE BB/OMTS |
| PG-251 | 4.13-5.17-6.00 | 58*53 DIN5482 | 150 F7 | 195 | ∅13 × n ° 10 | SAE A/SAE B/SAE BB/OMTS |
| PG-501 | 4.13-5.17-6.00 | 58*53 DIN5482 | 150 F7 | 195 | ∅13 × n ° 10 | SAE A/SAE B/SAE BB/OMTS |
Utvecklingen avPG Series Feed Mixer Planetary Gearboxkommer från en djup inblick i smärtpunkterna i överföringssystemet för traditionell blandningsutrustning. Dess tre planetariska växelfördelade transmissionsarkitektur är inte en enkel stapling av mekaniska strukturer, men genom upprepade simulering av spänningsförhållandena under olika råvaruförhållanden bestäms den gyllene kombinationen av växelmodul, tandbredd och spiralvinkel äntligen. Till exempel, när man bearbetar majsstjälkar och sojamåltidsblandningar, kan dess unika involverade tanddesign minska risken för material som fastnar med 15%. Med den högprecisionslipningsprocessen styrs tandytråheten under RA0.8, vilket ökar överföringseffektiviteten med 8% -10% jämfört med traditionella växellådor. De uppmätta uppgifterna för en foderfabrik visar att i 12 timmars kontinuerlig drift per dag minskar energiförbrukningen för denna växellåda 14% lägre än för liknande produkter, och momentfluktuationsamplituden för blandningsaxeln reduceras med 22%, vilket avsevärt förbättrar blandningsiformiteten.
För hårda partiklar som sand, sten och metallskräp som ofta blandas i foder råvaror har denna växellåda riktats i termer av material och processer. Växelkroppen är tillverkad av 20Crmnti -legeringsstål. Efter kylning av behandlingen med ett förgasningsdjup på 1,2 mm, i kombination med en låga temperaturtemperningsprocess, ökas tandrotböjningsströtthetsstyrkan till mer än 850MPa. Under de extrema arbetsförhållandena för ofullständig råmaterial screening i en ranch har dess gropmotstånd motstått ett kontinuerligt 500-timmars sand- och grus slagtest, och endast små repor dök upp på tandytan utan skalning. Samtidigt, genom att optimera ribbplattlayouten och bära förbelastningen av planetbäraren, kan växellådan fortfarande upprätthålla överföringsnoggrannheten när den utsätts för en omedelbar påverkan av 1,5 gånger det nominella vridmomentet, och undviker risken för felanpassning eller tandbrytning orsakad av överbelastning.
Den intelligenta utformningen av växellådan härstammar från en djup förståelse av smärtpunkterna för drift och underhåll i foderförädlingsindustrin. Dess inbyggda intelligenta övervakningsmodul är inte en enkel datainsamlare, utan en tväranalys av temperatur, vibrationer, ström och andra signaler genom en algoritmmodell. Till exempel, när lagertemperaturen upptäcks för att vara onormalt hög, kommer systemet att kombinera lasthistorikdata för att avgöra om det är otillräckligt smörjning eller bärande slitage och driver specifika underhållsrekommendationer. Efter att ha använt detta system undvikde ett foderföretag tre oplanerade driftstider genom att ersätta fett och justera lageravstånd i förväg, och den totala utrustningseffektiviteten (OEE) ökade med 18%. Dessutom inspirerades utformningen av dess modulära snabbutgivningsstruktur av återkopplingen av frontlinjens underhållspersonal. Endast fyra bultar behöver lossas för att slutföra den övergripande ersättningen av planetväxeluppsättningen, och underhållstiden förkortas från 4 timmar av den traditionella strukturen till 1,5 timmar.
När det gäller miljöskydd och optimering av energieffektivitet härstammar den innovativa utformningen av växellådan från det exakta greppet om foderindustrins behov för att minska kostnaderna och öka effektiviteten. Dess värmeavledningsstruktur ökar inte blindt värmeavledningsområdet, men optimerar spiralvinkeln och avståndet mellan värmeavledningsribben genom vätskemekaniksimulering, så att den naturliga värmeavledningseffektiviteten ökas med 30%och därmed minskar energiförbrukningen av kylfläkten. I smörjningssystemet används dubbelzonoljeförsörjningsteknologi för att dynamiskt justera oljevolymen enligt belastningen, undvika "översvämnings" -smörjningsmetoden för traditionella växellådor och minska smörjförbrukningen med 25%. Den faktiska mätningen av en foderproduktionslinje som exporteras till Europa visar att ljudnivån för växellådan är 5dB lägre än EU -standarden, och dess energieffektivitetsnivå når IE3 -standarden, vilket hjälper kunder att framgångsrikt passera energieffektivitetscertifieringen av importlandet. Detta designkoncept som djupt binder tekniska detaljer med kommersiellt värde är nyckeln till produktvinnande marknadsigenkänning.
Hej! Jag är Elena García, kund från Barcelona, Spanien. Vi har använt din planetväxellåda i vårt fotovoltaiska panelspanelsystem i ett och ett halvt år. Denna utrustning har helt löst vårt problem med solskenspårningsnoggrannhet - växellådan som vi använde tidigare hade alltid en spårningsavvikelse på cirka 5 grader varje morgon och kväll, medan din planetariska växellåda med kodare kan styra spårningsfelet inom 0,5 grader. Nu har den genomsnittliga dagliga kraftproduktionen av fotovoltaiska paneler ökat med 18% jämfört med tidigare, och till och med elräkningen har blivit betydligt tunnare. Nu har denna planetväxellåda motstått testet av saltspray och starka vindar i den fotovoltaiska kraftverket vid havet. Anti-korrosionsbeläggningen av växellådan har inte visat några tecken på att falla av, och den inre växeloljan behöver inte bytas ut så ofta som tidigare. Jag ser fram emot att arbeta med dig i mer projekt för förnybar energi i framtiden!
Jag är Hans Müller, en maskiningenjör från Tyskland. För ett halvt år sedan köpte jag Raydafons planetariska växellådor för uppgraderingar av produktionslinjen. Efter att ha använt dem överträffade de mina förväntningar! Utrustningen går med hög belastning i 16 timmar om dagen för att bearbeta råvaror med hög viskositet. Växellådesbruset reduceras med 20%, överföringseffektiviteten är stabil vid mer än 94%, temperaturökningen styrs alltid inom 25 ° C och hållbarheten är mycket överlägsen de gamla modellerna. Ditt team var professionellt och effektivt under hela processen, från tidig parameteroptimering, tätningsstrukturjustering till fjärrfelsökning. Den detaljerade designen (såsom dammtät tätningar och standardiserade monteringshål) återspeglar vidare en djup förståelse av de faktiska arbetsförhållandena. Raydafons produktkvalitet och servicenivå fick mig att inkludera den i listan över långsiktiga leverantörer utan att tveka och rekommendera det starkt till mina kamrater!
Jag har kört en ranch i så många år och har bytt många växellådor. Det var inte förrän jag använde Raydafons planetväxellåda som jag verkligen insåg vad det betyder att vara orofri! Utrustningen jag använde tidigare var alltid underpowered när man blandade ensilage, och växlarna gled ofta. Jag förväntade mig inte att din planetväxellåda skulle vara så kraftfull. Din produkt är mycket enklare att installera än jag trodde, och det är också lätt att underhålla. Förra gången jag själv gjorde en daglig inspektion fann jag att växellådan var mycket väl förseglad och att det inte fanns några tecken på oljeläckage alls. Jag kommer definitivt att fortsätta att stödja dig i framtiden och rekommendera dig till mina ranchervänner! ---- Mark Johnson
Adress
Luotuo Industrial Area, Zhenhai District, Ningbo City, Kina
Tel
E-post


+86-574-87168065


Luotuo Industrial Area, Zhenhai District, Ningbo City, Kina
Copyright © Raydafon Technology Group Co., Limited alla rättigheter reserverade.
Links | Sitemap | RSS | XML | Sekretesspolicy |
